Update:
Endlich ETACS frei.
Eines meiner gesteckten Ziele war es diese "Magie" Box Los-zu-werden.

Es war das komplizierteste und schwerste am ganzen neu Verkabeln.
Man kann vieles dazu finden was alles über das ETACS läuft. Aber was es 100% genau macht? Das wird sogar im Electric Service Manual (Part2) verschwiegen. Hier ein Transistor, da eine Diode mit Erdung. Aber schlüssig zu einem Kreislauf z.B. bei den Klappscheinwerfern (POPUP) der Gen1?
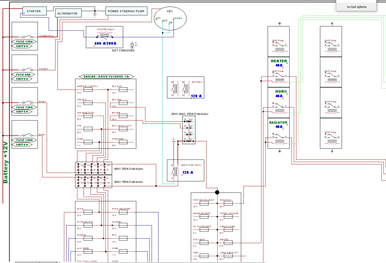
Zum Glück gibt es den großen 4x Din0 Schaltplan. Da hätten wir nun alle Kabel...nützt halt aber auch nicht viel wenn *angeblich* sogar Schaltlogig darin sein soll..(Das ETACS ENTSCHEIDED*)

- etacs1.jpg (101.52 KiB) 8120 mal betrachtet
Dem ist nicht so. Das ETACS greift nicht direkt ein, konkret entscheided die Transistorschaltung nicht ob die Klappscheinwerfer auf oder zu-klappen, sondern ob ohne Schlüssel und offenen Türen (die geschossen werden) das Licht aus gehen kann (und damit Zuklappen)! Auch kommt erschwerend hinzu das die Systeme nicht durch Masse oder "+" eindeutig geschalten sind. (Dazu später mehr)
Also half nur alle Kabel zu trennen und ein Versuchsaufbau durchzuführen. Erst nur mit dem Multimeter, dann vorsichtig mit einer Sicherung und anschließend direkt an der Batterie.

- testpop.jpg (543.92 KiB) 8120 mal betrachtet
Am Schalter beim Lenkrad sind 3 Kabel für die Popup funktion der Klappscheinwerfer zuständig. Das "Zu" Signal ist permanent aktiv auser wenn auf Abblendlicht gedreht wird. Das "Auf" wird dann aktiv und die Verbindung für das "Zu" getrennt. Beide sind +12V Signalleitungen und gehen über das ETACS zu den Klappmotoren an den Scheinwerfern.
- +12V Zuleitung [Weis] - am Schalter bis zum Stecker, danach - ROT/Schwarz kommend vom Sicherungskasten
- +12V "Aufklappen" [Gelb] - am Schalter bis zum Stecker, danach Blau/Gelb zum ETACS - danach Schwarz/Blau bis zu den Klappscheinwerfern
- +12V "Zuklappen" [Braun] - am Schalter bis zum Stecker, danach Blau/Weis zum ETACS - danach Schwarz /ROT bis zu den Klappscheinwerfern
Das POPUP Relais hat folgende Kabel:
- +12V von der Batterie zum Relais ROT/Schwarz
- +12V ROT/Weis Beifahrerseite Klappscheinwerfer Stromzufuhr
- +12V ROT/Gelb Fahrerseite Klappscheinwerfer Stromzufuhr
- 2X dünn Schwarz mit Silber punkten - Masse (Erdung)
- ROT/Blau mit Silber punkten - Relais Steuerung für den Klappmotor Fahrerseite
- ROT/Gelb mit Silber punkten - Relais Steuerung für den Klappmotor Beifahrerseite
Mit den zwei Leitungen vom Schalter steuert man die Klappmotoren direkt, diese bauen einen Kontakt auf und steuern damit das Relais für die Stromzufuhr. Ammaximalen "Auf" oder "Zu" Punkt sind diese Relais Leitungen nicht mehr verbunden und die Klappscheinwerfer bekommen entsprechend kein Strom mehr.
Kurz: Doppelschaltung mit Relais welche über Signal 12V und im Zug dazu mit Masse schalten

Popups sind halt etwas besonderes.....
Dazu kommt nur der kleine Schalter am Amaturenbrett um die Scheinwerfer hochzufahren (und oben halten) ohne das Licht anzuschalten. Ich bin mir nicht sicher ob ich sowas behalten will, da ich nie mit Aufgeklappten (ohne Licht) herumgefahren bin. Aber falls doch, dieser Schalter hat seine eigene Stromversorg über das ETACS und hier entscheided das ETACS wirklich wer vorrang hat (Der Schalter, also nicht der am Lenkrad).
Aber es wird noch besser! Die Scheinwerfer selbst müssen noch Licht haben und irgendwie ahnten wir es alle das dies auch mit dem ETACS verwoben sein wird.....
Warum auch immer dachte ich immer bei KFZ schaltet man etwas mit Masse (Erde) oder + Signal. Aber warum so leicht wenn man es auch anderst machen kann
*Mitsubishi 1988*
Wie soll ich es sagen, der Schalter am Lenkrad.... macht beides.

Einerseits schalten (kontakt) wir die Masse vom Abblendlicht und Fernlicht, andererseits schalten wir auch Grundsätzlich "+" über ein RELAIS damit, gleichzeitig.
Bei den H4 Steckerfür Birnen haben wir also 3 Kabel alle drei sind quasi geschalten.
2x Masse,1x Plus.
Vom "Headlamp" Relais kommt also:
- +12V von der Batterie- Rot/Schwarz
- Rot mit Silber punkten kommend vom Schalter am Lenkrad, Erdung für das Relais damit es Schaltet.
- +12V für die Lampen ROT/BLAU
Am Schalter:
- Masse: ROT (dünnes Kabel) - Wird ROT/GELB Masse für das Relais
- Masse: ROT Fernlicht
- Masse: ROT/WEIS Abblendlicht
- Masse: Rot mit silber punkten geht ans Amaturenbrett für die Blaue Fernlichtanzeige
- 2X Schwarz : Masse zuleitung für die ganze Schaltung.
Und damit bin ich wohl der erste GT ohne ETACS (ausgenommen die Voll-Rennwagen /Drag Umbauten ohne Beleuchtung etc)
Falls Fragen da sind, keine Sorge. Fragt. Ich versuche dann verständlicher zu Antworten.
